9급 국가직 공무원 응용역학개론 (2023년04월08일 기출문제)
1과목 : 과목 구분 없음
1번
기둥에 대한 설명으로 옳지 않은 것은?
2번
그림과 같은 트러스의 부정정차수는?

3번
그림과 같이 직사각형 단면의 단순보에 집중하중 P가 작용할 때, 점 A, B, C, D에서의 응력상태를 응력요소(Stress Element)로 나타낸 것 중 옳지 않은 것은? (단, 깊은보 효과는 고려하지 않으며, 구조물의 자중은 무시한다)

4번
그림과 같은 평면응력상태에 있는 미소응력요소에서 최대전단응력의 크기[MPa]는?

5번
그림과 같이 B점에서 C점 방향으로 작용하는 크기가 10kN인 힘 F에 의한 A점에서의 모멘트 벡터 MA[kNㆍm]는? (단, i, j, k는 각각 x, y, z축에 대한 단위벡터이다)

6번
그림과 같은 축하중이 단면의 도심에 작용할 때, 부재의 최종 길이 변화량은? (단, 부재의 축방향 강성 EA는 일정하고, 구조물의 자중은 무시한다)

7번
그림과 같이 트러스에 하중이 작용할 때, 부재 EH의 부재력[kN]은? (단, 구조물의 자중은 무시한다)

8번
그림과 같이 반지름 r인 원이 각각 다른 위치에 있을 때, 점 O에 대한 원형 단면 A, B, C의 각각 극관성모멘트의 비 (IPO)A : (IPO)B : (IPO)C는?

9번
그림과 같이 게르버보에 집중하중이 작용하여 E점의 상향 수직반력의 크기가 2kN일 때, 하중 P의 크기[kN]는? (단, 구조물의 자중은 무시한다)

10번
그림과 같이 직사각형 단면의 단순보에 등분포하중이 작용할 때, 직사각형 단면에 작용하는 최대 휨응력의 크기[MPa]는? (단, 보의 자중은 무시한다)

11번
그림과 같은 캔틸레버보에 집중하중 P와 모멘트하중 M=PL이 작용할 때, 옳지 않은 것은? (단, 구조물의 자중은 무시한다)

12번
그림과 같이 하중이 작용하는 단순보의 지점 A, B의 반력이 같기 위한 x[m]는? (단, 구조물의 자중은 무시한다)

13번
그림과 같이 구조물의 C점에 집중모멘트 M이 작용할 때, B점의 수직반력의 크기는? (단, 0≤θ<90°이고, 구조물의 자중은 무시한다)

14번
그림과 같이 지름이 d 또는 2d인 원형 단면을 갖는 2개의 봉에 동일한 축력 P가 단면의 도심에 작용할 때, 각각의 봉에 저장되는 변형에너지의 비 U(a)/U(b)는? (단, 봉의 탄성계수는 동일하고, 응력집중효과는 고려하지 않으며, 자중은 무시한다)

15번
그림과 같은 게르버보에서 점 C의 전단력에 대한 영향선은?

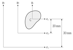
16번
그림과 같이 도심이 C인 단면의 단면적(A)이 100mm2이고, x1축에 대한 단면 2차 모멘트(Ix1)가 100,000mm4일 때, x2축에 대한 단면 2차 모멘트(Ix2)의 크기[mm4]는?

17번
그림과 같이 단순 지지된 트러스 구조물에서 CD부재의 부재력[kN]은? (단, 구조물의 자중은 무시한다)

18번
그림과 같이 C점에 축력 F가 단면의 도심에 작용할 때, C점의 축방향 변위의 크기는? (단, 구조물의 축방향 강성은 EA이고, 구조물의 자중은 무시한다)

19번
그림과 같은 게르버보에서 C점의 상향 수직반력이 P의 2배가 되기 위한 a/b는? (단, 0<a<L, 0<b<L이며, 구조물의 자중은 무시한다)

20번
그림과 같이 직사각형 단면의 단순보에 등분포하중이 작용할 때, C점의 단면 하단부에서 30mm만큼 떨어진 높이에 작용하는 휨응력의 크기[MPa]는? (단, 보의 자중은 무시한다)
